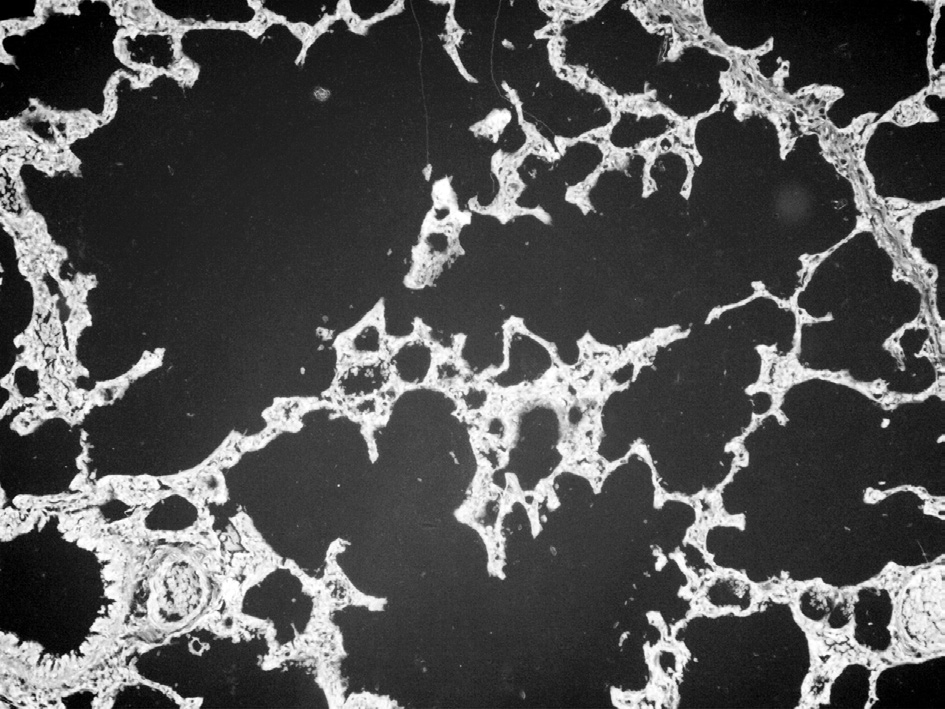
- Emphysema is a condition where the alveoli of the lungs are destroyed, resulting in patients feeling out of breath. The micrograph shows air pockets resulting from emphysema. [Micrograph shows damaged lung tissue with enlarged air spaces.]

What is a direct consequence of the destruction of alveoli?